Kyodo C64/C65 repeater avaus beep
Rakentelu ohjeita
Kasailin tuossa miljoonalatikostani löytyvillä osilla
Ericsson (Kyodo C64) ratijooni repeater avaus beepin.
Voihan tuon muutenkin tehdä, mutta romppeet kun löytyi, niin
tein sen nyt noin .
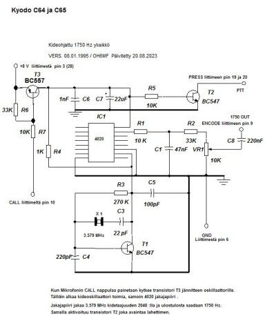
toiminnasta sen verran että 1750Hz lähtee kun painaa mikrofonin
CALL näppäintä , myös lähetin avaintuu samalla.
Alla kortti komponenttipuolelta katsottuna
Klikkaa kuvia
niin näet ne suurempana !

Tässä alla sitten kortti kiinni radiossa.
Klikkaa kuvia
niin näet ne suurempana !

Kuvassa näkyvä tyhjä tila on varattu CTCSS:lle ja
käänteiselle erotukselle ym. kunhan tässä taas eläkkeeltäni
ehdin näihin harrastus hommiinni hi .... ..
Tässä alla jonkinmoinen kytkis moisesta protokortista.
Klikkaa kuvia
niin näet ne suurempana !

73 de oh6mf / ea8cuu
Takaisin valikkosivulle